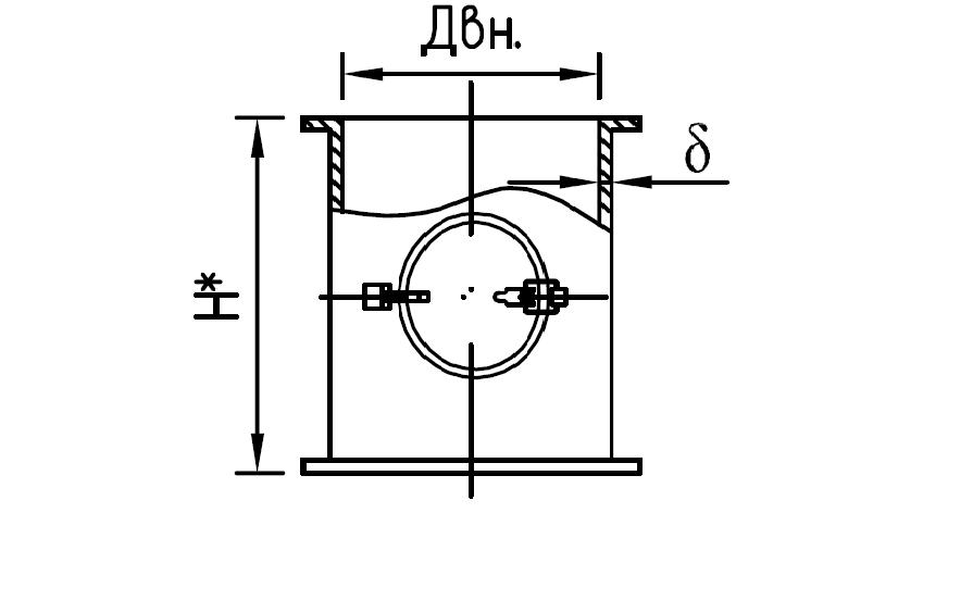
Труба с лючком с отбортовкой

Смотровой лючок. Предназначен для обзора продукта и внутреннего обслуживания самотечного трубопровода. Уплотнение лючка сделано из мягкой резины, что исключает попадание продукта наружу. Деталь окрашена износостойкой порошковой эмалью. Возможно изготовление из нержавеющей стали.

Исполнение:

Ф100 б=1 мм маркировка СТЛ-О-100-1 марка по нормали СТ17
Ф120 б=1 мм маркировка СТЛ-О-120-1 марка по нормали СТ18
Ф120 б=2 мм маркировка СТЛ-О-120-2 марка по нормали СТ19-1
Ф150 б=1 мм маркировка СТЛ-О-150-1 марка по нормали СТ23
Ф150 б=2 мм маркировка СТЛ-О-150-2 марка по нормали СТ19-1-02
Ф200 б=1 мм маркировка СТЛ-О-200-1 марка по нормали СТ25
Ф200 б=2 мм маркировка СТЛ-О-200-2 марка по нормали СТ19-1-03
Ф200 б=3 мм маркировка СТЛ-О-200-3 марка по нормали -----
Ф220 б=1 мм маркировка СТЛ-О-220-1 марка по нормали -----
Ф220 б=2 мм маркировка СТЛ-О-220-2 марка по нормали -----
Ф220 б=3 мм маркировка СТЛ-О-220-3 марка по нормали -----
Ф300 б=1 мм маркировка СТЛ-О-300-1 марка по нормали СТ27
Ф300 б=2 мм маркировка СТЛ-О-300-2 марка по нормали -----
Ф300 б=3 мм маркировка СТЛ-О-300-3 марка по нормали -----